Резервный коммутатор напряжения питания

Резервированный коммутатор напряжения питания относится к области электронной техники и может быть использован в схемах, где требуется коммутация напряжения на нагрузку первичного источника питания с гальванической развязкой от двух выходных шин устройства в выключенном состоянии.

Цена патента 500 000 руб.

Подробнее


Скачать контакты - 100,00 ₽


218650

30 шт. еще из этого раздела:

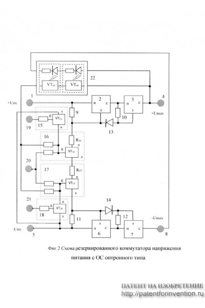
Резервированный коммутатор напряжения питания относится к области электронной техники и может быть использован в схемах, где требуется коммутация напряжения на нагрузку первичного источника питания с гальванической развязкой от двух выходных шин устройства в выключенном состоянии. Комплект, состоящий из двух устройств, может быть использован в резервированных системах управления, в частности космическими аппаратами, где требуется обеспечение функционирования хотя бы одного резерва системы с холодным резервированием при допустимости отказа любого одного элемента в тракте какого-либо резерва. Техническим результатом является упрощение устройства, которое обеспечивает как уменьшение номенклатуры комплектующих изделий, так и более однородную структурную организацию резервированного коммутатора напряжения питания. Кроме того, стандартизован способ управления устройством - от источника входного напряжения питания, повышена технологичность и расширены функциональные возможности. В частности, возможна реализация в микросборке с использованием кристаллов одной ИМС 1НТ251 и четырех кристаллов силовых КМОП транзисторов. Технический результат обеспечивается заменой типа КМОП транзисторов в шинах питания на противоположный, относительно прототипа. Это с учетом введенной обратной связи позволило перенести элементы управления КМОП транзисторами с выхода устройства-прототипа на входные шины согласно стандартизованному в практике способу. При этом замена динамического режима работы узла управления силовыми КМОП транзисторами устройства-прототипа на узел управления в статическом режиме позволила снизить излучение помех и энергопотребление. 3 з.п. ф-лы, 3 ил


Область техники

Резервированный коммутатор напряжения питания относится к области электронной техники и может быть использован в схемах, где требуется коммутация напряжения первичного источника питания на нагрузку с гальванической развязкой от двух выходных шин устройства в выключенном состоянии. 

Представлен вариант устройства для резервированных систем. Например, комплект из двух устройств может быть использован в резервированных системах управления нагрузкой, в частности в космических аппаратах, где требуется обеспечение функционирования хотя бы одного резерва системы с холодным резервированием при допустимости отказа любого одного элемента в тракте какого-либо резерва.



Уровень техники

Известен коммутатор напряжения с защитой от перегрузки по току [1]. В рамках рассмотрения его части в качестве аналога согласно цели и объема решаемых задач предлагаемым техническим решением коммутатор напряжения содержит вход включения коммутатора напряжения, вход выключения коммутатора напряжения, триггер, электронный ключ, блок нагрузки, две шины напряжения питания. Способ коммутации напряжения на нагрузке при этом заключается в том, что для включения устройства импульсный сигнал включения преобразуют в сигнал постоянного уровня с помощью RS триггера. Этим сигналом постоянного уровня открывают электронный ключ, который устанавливают между одной входной шиной питания и блоком нагрузки. Другой вывод блока нагрузки соединяют с другой входной шиной питания. Для выключения устройства импульсным сигналом выключения устанавливают RS триггер в исходное состояние, которое обеспечивает выключенное состояние коммутатора.


На данный момент комментариев нет.

Только зарегистрированные пользователи могут оставлять комментарии и оценки.

RSS



Блок баннеров


  Анализ сайта

megastock.ru